您在使用过程,发现BUG通过在线问题提交由开发人员确定后,本站将会给予一个月广告展示机会!
 位置:首页 -> 产品 -> 仪器仪表 -> 其它仪表  
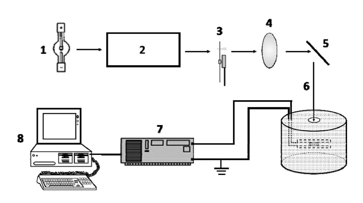
镁瑞臣稳态表面光电压测试系统MC-SPS1000
| 详细信息  
关键字:稳态表面光电压测试系统
dbzz

表面光电压谱仪用途广泛,可以测量光电功能材料的表面光伏、测量光电功能材料的表面光电流、估算光电功能材料的光电转换
效率、研究开发光电气敏传感器、研究光催化机理、研究开发太阳能电池、研究开发光解水制氢等。

镁瑞臣公司在不断优化改进的基础上推出 MC-SPS1000系统。MC-SPS1000目前在国内众多实验室均得到应用,相对于进口
产品,其主要优势体现在:
  超高的性价比                  完善的售后和服务                     对测试图谱的专业解读,对用户的研究工作带来极有价值的帮助

 活跃产品   在这显示|更多 
网站首页 - 关于我们 - 使用协议 - 免责条款 - 版权隐私 - 网站地图 - 友情链接 - 广告服务 - 会员服务 - 免费注册 - 联系方式
问题请通过在线提问反馈 | 在线客户QQ:105452034 | 收费会员及广告咨询电话13332201705 技术支持:辽宁衡骏节能科技有限公司
Copyright 2007- dbzz.net All Rights Reserved 东北制造网(东北地区唯一制造业网上平台) 版权所有 辽ICP备2021008091号 辽公网安备21021702000105
为获得最佳浏览效果,建议使用IE7以上,或Firefox7以上浏览器
经营性网站
备案信息
百强网站
诚信联盟
网络110
报警服务
不良信息
举报中心